Код товара: 26458
Артикул: РП-П 1.0–(2.8)


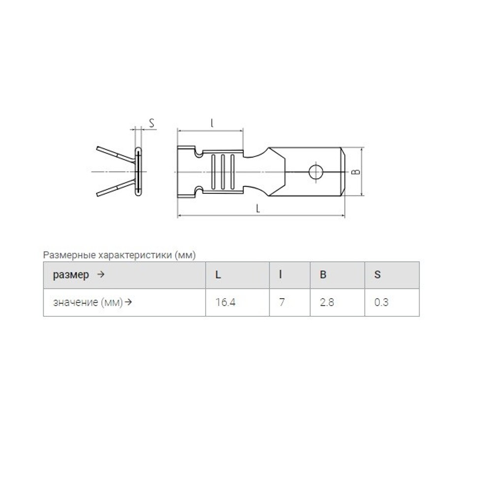
Разъем плоский неизолированный (папа) рп-п 1.0–(2.8) (100шт)
Описание
Предназначены для формирования быстроразъемных виброустойчивых герметичных соединений многопроволочных медных проводов. Материал корпуса: нейлон 6,6. Термостойкость корпуса: 105 °C. Материал разъема: латунь марки Л63. Покрытие разъема: электролитическое лужение.
Характеристики
- Бренд
- КВТ
- Модель
- РП-П 1.0–(2.8)
- Тип
- Разъем плоский неизолированный (папа)
Вопросы о товаре
Похожие товары










